

Categoría de producto: Sensor de presión de interfaz de placa
Tipo de presión: vacío, manómetro
Presión de trabajo: -115 kPa a 0 Pa
Precisión: 1,5%
Tipo de salida: Analógica
Tensión de alimentación de trabajo: 5 V
Tipo de puerto: Sin puerto
Temperatura mínima de funcionamiento: -40 C
Máx.temperatura de funcionamiento: + 125 C
Corriente de alimentación de trabajo: 6 mA
Voltaje de salida: 4,534 V a 4,665 V
Subcategoría: Sensores
Tensión de alimentación - Máx.: 5,25 V
Tensión de alimentación - Mínimo: 4,75 V
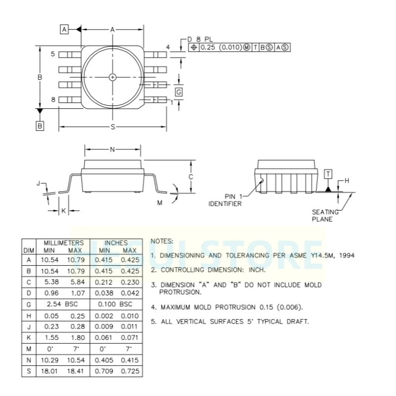
Imagen del producto


