





价格随时可能恢复或者提升,请及时下手。
频率 : 10MHZ
输出 : 方波 5路
输入电压: 12V
功耗 :约5W
GPS天线类型:支持有源3.3V天线或者无源天线

此产品是本人(李工)独立完成所有环节设计,此页面在不断更新,有什么技术问题或者定做其他频率的时钟都可以联系李工。
下图:板子顶层3D效果图。

下图:板子底层3D效果图。

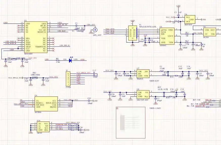
下图:部分原理图。

下图:FPGA内嵌入了李工编写的RISCV处理器核,能运行C语言进行控制。

下图:部分开发截图,ISE开发环境开发FPGA逻辑。

此产品尺寸是12*10*2CM下图是和银行卡的大小比较.

下图是面板接口照片:


下图:SMA接口统一规格如下图。

发货清单:
1,有源GPS天线带5米长线。
2,12V电源。
3,射频连接线。

上图所示,PPS的上升时间小于两奈秒( 2nS),远远超过通讯标准。