





Utilice ventiladores de refrigeración personalizados para diversos fines.
¡Libre de contactarnos!
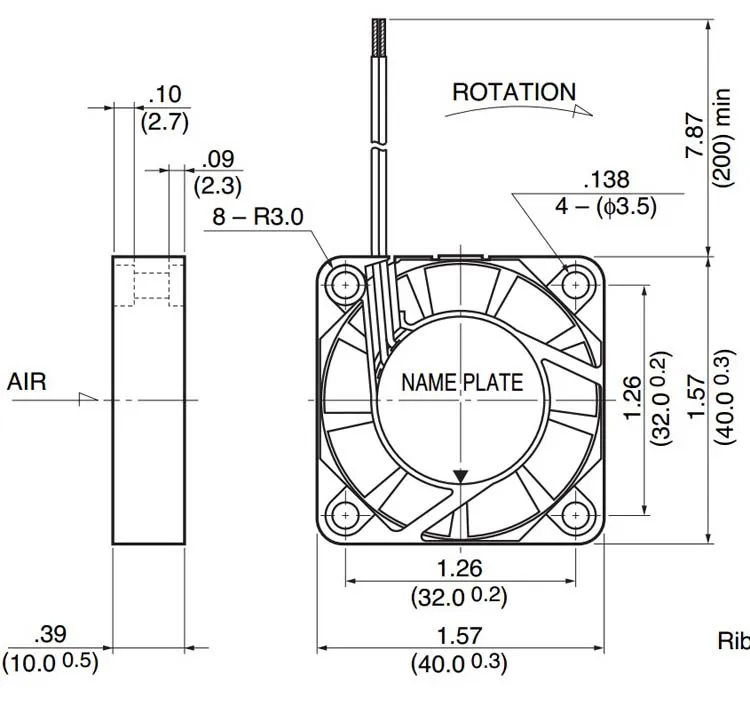
Marca: NMB Modelo: 1604KL-01W-B50 Tamaño: 40x40x10mm Voltaje: DC5V Voltaje de funcionamiento: 4V ~ 7V Corriente: 0.21A Corriente real: 0.155A Velocidad: 6500RPM Volumen de aire: 6cfm Presión del viento: 46pa Ruido: 29dBA Peso: 15g Cableado: La longitud del cable es de 12cm, y la interfaz de dos cables es la siguiente






