





Este módulo adopta la solución de chip de transmisión transparente del puerto serie de red CH9120 de Qinheng, con rendimiento estable, pila de protocolos TCP/IP integrada internamente y capa de transmisión de medios Ethernet (MAC) y capa física (PHY), admite CLIENTE TCP, SERVIDOR TCP, CLIENTE UDP, SERVIDOR UDP 4 modos de trabajo y la velocidad en baudios del puerto serie se puede admitir hasta 921600 bps.A través de la computadora host o el comando del puerto serie, el módulo se puede configurar de manera simple y rápida para crear rápidamente una transmisión transparente de datos bidireccional entre Ethernet y el puerto serie..
Características del módulo:
1.Viene con capa de transporte de medios Ethernet (MAC) y capa física (PHY)
2.Admite interfaz Ethernet adaptable full-duplex/half-duplex de 10M, compatible con el protocolo 802.3
3.Admite conversión automática de líneas MDI/MDIX
4.Admite DHCP para obtener automáticamente la dirección IP, admite acceso a nombres de dominio DNS
5.El modo de trabajo admite los modos CLIENTE TCP, SERVIDOR TCP y CLIENTE UDP, SERVIDOR UDP 4
6.La velocidad en baudios del puerto serie admite 300 bps ~ 921600 bps
7.El puerto serie admite nivel de 3,3 V/5 VTTL.
Voltaje de entrada: 3,3 V-5 V
Velocidad en baudios: 300bps ~ 921600bps (predeterminado 9600)
Modo de trabajo: CLIENTE TCP, SERVIDOR TCP, CLIENTE UDP, SERVIDOR UDP
Interfaz Ethernet: RJ45
Ethernet LAN: 10Mbps
Puerto serie: puerto serie de 3,3 V/5 VTTL (tenga en cuenta que el voltaje de la fuente de alimentación debe ser consistente con el voltaje de nivel TTL)
VIN: entrada de alimentación del módulo 3,3 V/5 V
RUN: pin indicador de estado de ejecución, multiplexado como pin de actualización del ISP
RX: entrada de datos del puerto serie asíncrono
DIR: puerto serie RS485 transmite y recibe pin de control de dirección
TX: salida de datos del puerto serie asíncrono
TCPCS: modo cliente TCP, indicación del estado de la conexión, nivel bajo indica una conexión exitosa
GND: terminal de tierra de la fuente de alimentación
Terminal de tierra de la fuente de alimentación GND
CFGO: pin de configuración del modo de configuración del puerto serie, pull-up incorporado, cuando se detecta un nivel bajo, ingrese al modo de configuración del puerto serie, el nivel alto sale del modo de configuración
RSTI: entrada de reinicio externa, el nivel bajo es válido


Parámetros Ethernet
Número de puertos: 1Estándar de interfaz: interfaz RJ45Ethernet LAN: 10/100 MbpsCaché de datos: 6K bytesProtección: aislamiento electromagnético de 2KVProtocolos de red: IP, ARP, TCP, UDP, ICMP, IGMP, DCHP, etc.
Tamaño del producto:



El módulo de puerto serie CH9121 a Ethernet está equipado con un chip de transmisión transparente del puerto serie de red CH9121.CH9121 integra internamente la pila de protocolos TCP/IP, que puede realizar una transmisión transparente bidireccional de paquetes de datos de red y datos del puerto serie.Tiene 4 tipos: CLIENTE TCP, SERVIDOR TCP, CLIENTE UDP, SERVIDOR UDP Modo de trabajo, la velocidad en baudios del puerto serie puede admitir hasta 921600 bps, se puede configurar fácilmente a través del software de la computadora host o los comandos del puerto serie, conveniente y rápido.



Chip ENC28J60/SS integrado
Oscilador de cristal integrado de 25MHz
Interfaz de red HR911105A integrada
Fuente de alimentación de 3,3 V
Tamaño de PCB: Versión estrecha 48,8 (mm) x 18,5 (mm), Versión ancha 56 (mm) x 34 (mm)
Interfaz SPI

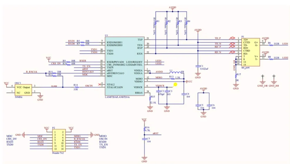
LAN8720 LAN8720 que utiliza un chip transceptor de capa PHY Ethernet de 10/100 Mbps de baja potencia.Admite la comunicación con el controlador de capa Ethernet MAC a través de la interfaz RMI.El LAN8720 puede conectarse y comunicarse con el host de destino de la mejor manera (velocidad y modo dúplex) mediante negociación automática;Admite la función de giro automático HP Auto _MDIX, puede cambiar automáticamente la conexión a conexión directa o conexión cruzada sin cambiar el cable de red.Puede funcionar en modo de bucle atrás; detección de despertar en estado conectado; múltiples modos de bajo consumo; circuito de reinicio de encendido integrado y circuito regulador de voltaje lineal de 1,2 V; dos pines que impulsan LED que indican el estado de funcionamiento.Con registros de funciones especiales que pueden almacenar información del proveedor.
Parámetros del producto
Transceptor Ethernet 10/100Mbps (PHY) de alto rendimiento
Diseño de potencia ultrabaja con fuente de alimentación única de 3,3 V
Soporta HP Auto-MID/MID-X
Regulador integrado de 1,2 V
Rango de voltaje IO: 1,6 V a 3,6 V
Descripción del pin
TX1: dos bits de datos enviados por el pin de envío de datos del transceptor PHY
NC: No conectado
TX_ EN: habilitación de transmisión de datos
TX0: Dos bits de datos enviados por el pin de transmisión de datos del transceptor PHY Bit 0
RX0: Dos bits de datos recibidos por el transceptor PHY Bit 0 pin de recepción de datos
RX1: datos de dos bits recibidos por el pin de recepción de datos del transceptor PHY Bit 1
nINT/RETCLK: salida de interrupción salida activa de señal de reloj de baja/referencia
CRS: Sentido del portador/Válido de datos recibido
MDIO: gestión en serie a 0 pines de entrada y salida
MDC: Gestión en serie a 0 pines de reloj
VCC: 3,3 V


USR-ES1 está integrado con el chip W5500 de Wiznet y utiliza circuitos de puerta lógica de hardware para implementar la capa de transporte y la capa de red de la pila de protocolos TCP/IP (como: TCP, UDP, ICMP, IPv4, ARP, IGMP, PPPoE y otros protocolos) e integra una capa de enlace de datos, una capa física y 32 mil bytes de RAM en chip que se utilizan como búfer de recepción y envío de datos.Haga que el chip de control principal de la computadora host solo necesite realizar la tarea de procesamiento de la información de control de la capa de aplicación TCP/IP.Esto ahorra en gran medida la carga de trabajo de la computadora host en la replicación de datos, el procesamiento de protocolos y el procesamiento de interrupciones, y mejora la utilización y confiabilidad del sistema.
Durante el funcionamiento, los usuarios pueden utilizar el W5500 como RAM periférica de MCU, lo cual es muy simple.La interfaz externa del W5500 es un SPI general de alta velocidad de 80 MHz, que se puede seleccionar para diferentes plataformas para ampliar soluciones Ethernet de alta velocidad.El estado del LED de negociación automática muestra que la interfaz SPI es rápida y estable.El tamaño y los pines son compatibles con el módulo oficial de Wiznet WIZ820io.
Función del pin:



Características principales de la puerta de enlace WT32-ETH01:
1.Adopte Xtensa dual-core®MCU LX6 de 32 bits.Flash SPI integrado 3,32 Mbit\ SRAM 520 KB
2.Admite modo de trabajo de servidor TCP, cliente TCP, servidor UDP y cliente UDP.
3.Admite los cuatro puertos de datos del puerto serie, wif.Compatible con Ethernet y Bluetooth para combinarse en pares, y los datos se transmiten de forma transparente.
4.Soporte para conectarse a la red a través de una red cableada o wifi para actualizar el firmware.
5.Admite wifi para conectarse a Internet o LAN a través de un enrutador, establecer una conexión TCP/UDP y acceder al servidor designado por el usuario.
6.Admite acceso a la red por cable.
7.Apoyar el desarrollo secundario del usuario.
8.Rango de temperatura de funcionamiento de grado industrial: -40-+85.
9.Velocidad en baudios del puerto serie: 80-5000000.
10.Protocolo de red: IPv4, TCP/UDP.
11.Cifrado de software: AES/RSA/ECC/SHA

Parámetros del producto:
MCU ARM de 32 bits
LAN
Ethernet adaptable de 10/100 Mbps
Puerto serie: 3,3VTTLx1: TXD, RXD, CTS, RTS, GND
Parámetros de comunicación en serie:
Velocidad en baudios: 30bps a 460,800ps
Bits de datos: 7,8
Bit de parada: 1,2
Compruebe: Ninguno, Par, Impar
Control de flujo: Ninguno, CTS/RTS
Potencia de entrada: FS100P: CC 3,3 V/CC 5,0 V
FS100S: CC3,3 V

Entregado en dos semanas. El vendedor, como siempre, empaquetó el pedido de forma segura. El módulo está ensamblado con alta calidad, se instalan componentes originales. Después de la verificación, actualizaré la reseña.