












Descripción del producto: El nuevo NMB 4715MS-20T-B5A es un ventilador de refrigeración de CA confiable diseñado para aplicaciones industriales como sistemas UPS (fuente de alimentación ininterrumpida) y máquinas herramienta. Con un tamaño de marco estándar de 120x120x38 mm, este ventilador funciona con 200 V CA con una corriente de 0,07 A, consumiendo 15 W de potencia. Cuenta con un rodamiento de bolas duradero para un rendimiento duradero y logra una velocidad de 29.00 RPM, brindando un flujo de aire de 102 CFM y una presión estática de 0,31 en H20. El nivel de ruido es de 41 dB relativamente bajo. Con un peso de 550 g, este ventilador NMB proporciona un equilibrio entre rendimiento y un funcionamiento silencioso para entornos exigentes. Puntos clave de venta: Diseñado para uso industrial: Ideal para refrigeración de sistemas UPS y máquinas herramienta. Operación confiable de CA de 200 V: Compatible con alimentación estándar de CA de 200 V. Funcionamiento silencioso: Bajo nivel de ruido de 41 dB para un ventilador potente. Alto flujo de aire: ofrece un flujo de aire sustancial de 102 CFM. Rodamiento de bolas duradero: garantiza una larga vida útil. Tamaño estándar 12038: Fácil de integrar en soportes de ventilador existentes de 120 mm con un grosor de 38 mm. Marca NMB confiable: un fabricante confiable de soluciones de refrigeración. Escenarios de aplicación: Este confiable ventilador de CA de 200 V es ideal para refrigeración: Sistemas UPS (fuente de alimentación ininterrumpida): Manteniendo temperaturas de funcionamiento óptimas para equipos de respaldo de energía críticas. Máquinas herramienta: Disipar el calor de motores, paneles de control y otros componentes en maquinaria industrial. Gabinetes de control industrial: Proporciona ventilación para equipos electrónicos sensibles. Equipo de telecomunicaciones: componentes de refrigeración en sistemas de comunicación que utilizan alimentación de 200 V CA. Grandes carcasas electrónicas: Proporciona un flujo de aire significativo para enfriar los componentes electrónicos cerrados en entornos industriales. Cualquier aplicación que requiera un ventilador de CA de 200 V silencioso y confiable con alto flujo de aire para refrigeración industrial. Palabras clave de búsqueda en caliente (integradas en el texto): Ventilador de 200 V CA Ventilador de refrigeración industrial Ventilador UPS Máquina herramienta Ventilador de 120 mm Ventilador de CA silencioso Ventilador de alto flujo de aire Ventilador con rodamiento de bolas Ventilador de 200 V Ventilador NMB
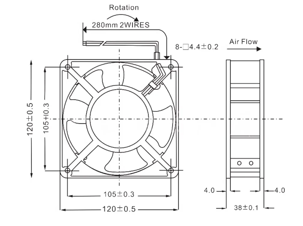
Product Description: The New NMB 4715MS-20T-B5A is a reliable AC cooling fan designed for industrial applications such as UPS (Uninterruptible Power Supply) systems and machine tools. With a standard 120x120x38mm frame size, this fan operates on 200V AC with a current of 0.07A, consuming 15W of power. It features a durable ball bearing for long-lasting performance and achieves a speed of 2900 RPM, delivering an airflow of 102 CFM and a static pressure of 0.31 in H20. The noise level is a relatively low 41 dB. Weighing 550g, this NMB fan provides a balance of performance and quiet operation for demanding environments. Key Selling Points: Designed for Industrial Use: Ideal for cooling UPS systems and machine tools. Reliable AC 200V Operation: Compatible with standard 200V AC power. Quiet Operation: Low noise level of 41 dB for a powerful fan. High Airflow: Delivers a substantial airflow of 102 CFM. Durable Ball Bearing: Ensures a long operational lifespan. Standard 12038 Size: Easy to integrate into existing 120mm fan mounts with a 38mm thickness. Trusted NMB Brand: A reputable manufacturer of cooling solutions. Application Scenarios: This reliable AC 200V fan is well-suited for cooling: UPS (Uninterruptible Power Supply) Systems: Maintaining optimal operating temperatures for critical power backup equipment. Machine Tools: Dissipating heat from motors, control panels, and other components in industrial machinery. Industrial Control Cabinets: Providing ventilation for sensitive electronic equipment. Telecommunications Equipment: Cooling components in communication systems utilizing 200V AC power. Large Electronic Enclosures: Providing significant airflow for cooling enclosed electronics in industrial settings. Any application requiring a quiet and reliable AC 200V fan with high airflow for industrial cooling. Hot Search Keywords (integrated within the text): AC 200V fan industrial cooling fan UPS fan machine tool fan 120mm fan quiet AC fan high airflow fan ball bearing fan 200V fan NMB fan