



2866682 Unidad de alimentación - QUINT-PS/1AC/48DC/10
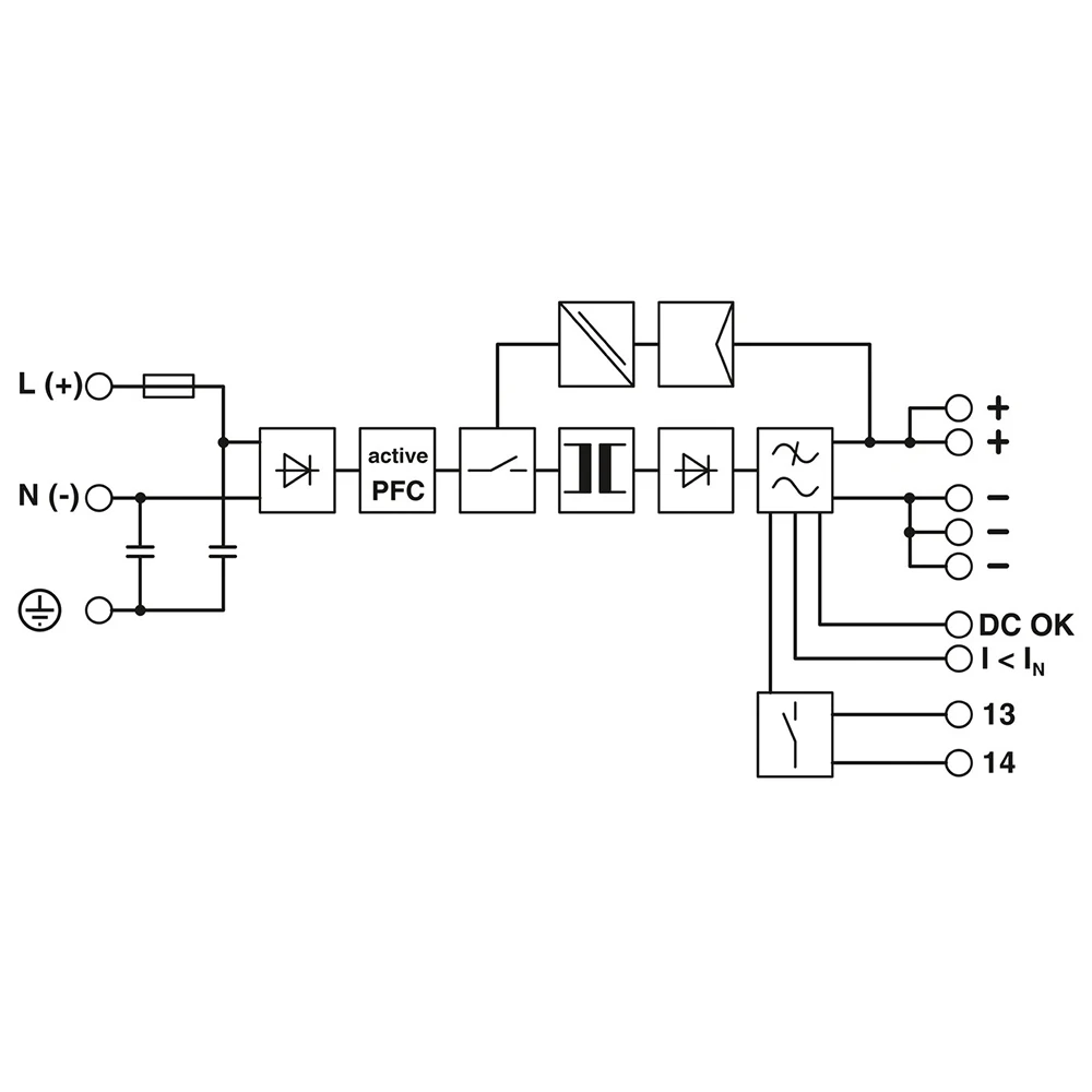
Fuente de alimentación conmutada primaria, QUINT POWER, Conexión de tornillo, Tecnología SFB (rotura de fusibles selectiva), entrada: 1-fase, salida: 48 V CC / 10 A
Fuentes de alimentación QUINT POWER con máxima funcionalidad
El disyuntor QUINT POWER dispara automáticamente y, por lo tanto, se dispara rápidamente a seis veces la corriente nominal, para una protección del sistema selectiva y, por lo tanto, rentable.Además, se garantiza el alto nivel de disponibilidad del sistema, gracias al monitoreo de funciones preventivas, ya que informa estados operativos críticos antes de que se produzcan errores.
El arranque confiable de cargas pesadas se realiza a través de la reserva de energía estática POWER BOOST. Gracias al voltaje ajustable, se cubren todos los rangos entre 5 V CC... 56 V CC.


