





Debido a la rápida actualización de nuestra tienda;El inventario, el comprador debe consultar al propietario antes de tomar una fotografía para confirmar el estado del inventario y el precio del producto ese día, así como otra información detallada relevante del producto, para que pueda comprar sin problemas un producto satisfactorio.
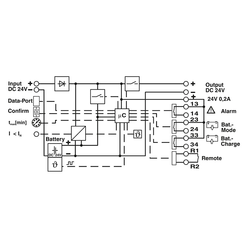
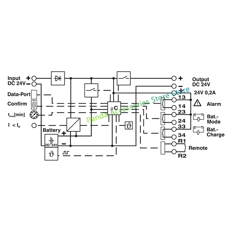
2320267 QUINT-UPS/24DC/24DC/10/3.4AH para fuente de alimentación ininterrumpida Phoenix



