





Placa adaptadora multifunción
Las interfaces proporcionadas por la placa adaptadora multifunción son las siguientes:
Interfaz 1: toma de esquina de 20 pines con paso de 2,54 × 1 (se puede conectar directamente al conector JTAG)
Interfaz 2: toma recta de 20 pines con paso de 2,54 X 1
Interfaz 3: toma recta de 20 pines de paso 2,0 X 1
Interfaz 4: Toma recto de 14 pines con paso de 2,54 × 1
Interfaz 5: Toma recto de 10 pines con paso de 2,54 × 1
Interfaz 6: Toma recto de 10 pines con paso 2,0 × 1
Interfaz 7: zócalo recto de 6 pines con paso de 2,54 X 1
Interfaz 8: Toma recto de 4 pines con paso de 2,54 × 1
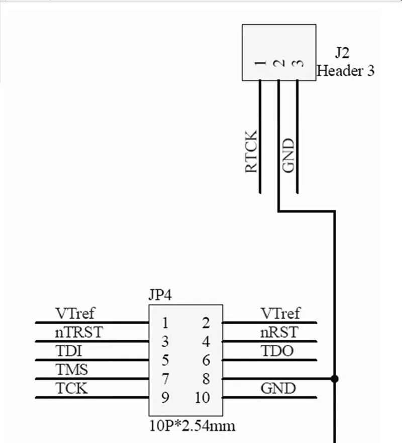
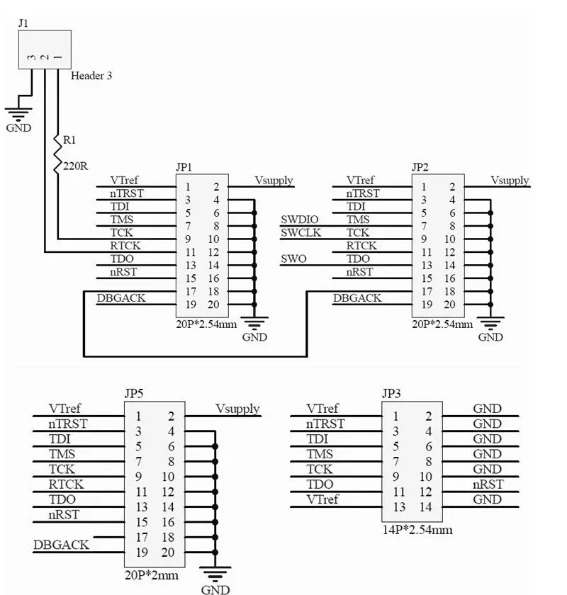
Esquema 1:






