





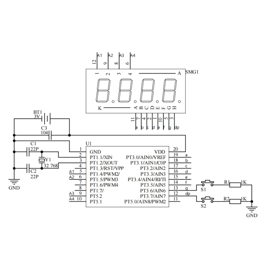
Características:
1.Operación del reloj, ajuste de la hora, modo de suspensión automático y modo de suspensión manual
2.Cambio de formato de hora, cuenta regresiva del reloj, temporizador de reloj, cambio de modo de botón
3.Utiliza componentes discretos para una soldadura sencilla, ideal para que los principiantes practiquen
4.Modo de suspensión automático para una mayor duración de la batería
5.Cambio flexible entre formatos de 12 y 24 horas
6.Duración de la cuenta regresiva configurable por el usuario
7.La correa de silicona se adapta a la muñeca, es suave y cómoda.
8.Múltiples opciones de colores vibrantes disponibles
Instrucciones de funcionamiento:
1.Presione cualquier botón para mostrar la hora; Pantalla de apagado automático después de 10 segundos.
2.Cambio de modo: mantenga presionado simultáneamente S1 y S2
3.Modo de suspensión: en el modo de cronometraje, presione brevemente S1 o S2.Entra automáticamente en modo de suspensión después de 10 segundos de inactividad.
4.Ajuste de tiempo: en el modo de ajuste de tiempo, presione brevemente o mantenga presionado S1 para ajustar los minutos, S2 para ajustar las horas.
4.Interruptor de apagado automático: en el modo de configuración de suspensión, presione brevemente S1 o S2.
5.Cambio de formato de 12/24 horas: en el modo de cambio de formato de hora, presione brevemente S1 o S2.
6. Interruptor de modo de suspensión: en el modo de configuración de suspensión, presione brevemente S1 o S2.





