





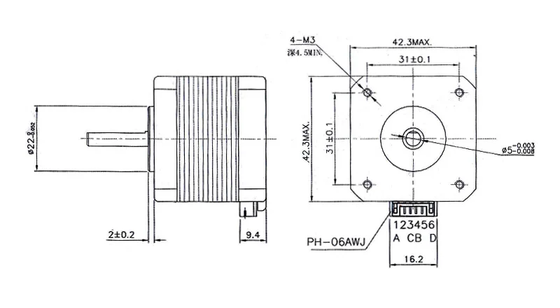
Height: 48mm
Shaft length: 23mm
Shaft diameter: 5mm
Torque: 0.55Nm
Current: 1.8A
Outgoing mode: two-phase four-wire (black A+, green A-, red B+, blue B-) insertion type





De los 5 motores ordenados, uno de los motores no gira. Frotamiento del estator en el rotor. Después de solicitar un reembolso, recibí un reembolso por este motor pero sin los gastos de envío pagados que son más altos que el motor. Desmantelé el motor y descubrí que hubo un defecto de mecanizado en el estator. Por lo tanto, el motor se envió sin ninguna inspección o se envió deliberadamente un motor defectuoso en el lote. Porque este es el segundo pedido que he realizado en menos de un mes a dos vendedores y en ambas compras hay un motor defectuoso en el lote.