






MP503 Air Quality Gas Sensor Pollution Odor Sensors Module Four Stage TVOC To Alcohol Smoke Iso-butane Methanal Detection For Vehicle Air Purifier
Product description:The MP503 air quality gas sensor uses a multi-layer thick film manufacturing process. A heater and a metal oxide semiconductor gas-sensitive layer are fabricated on both sides of a miniature Al2O3 ceramic substrate, respectively, and packaged in a metal casing. When the detected gas is present in the ambient air, the conductivity of the sensor changes. The higher the concentration of the gas, the higher the conductivity of the sensor. A simple circuit can be used to convert this change in conductivity into an output signal corresponding to the gas concentration.Sensor characteristics:This product has high sensitivity to alcohol, smoke, isobutane and formaldehyde; it has the advantages of fast response recovery, low power consumption, simple detection circuit, good stability, long life and so on.Application:For home environment and office harmful gas detection, automatic exhaust device, air freshener, etc.
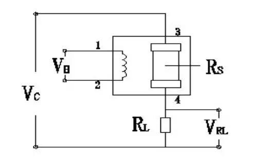
Basic circuit:


todo esta bien

Vendedor serio, entrega rápida, lo recomiendo.