






El DFPlayer Mini es un módulo MP3 compacto y asequible que se puede conectar directamente a los altavoces.El módulo se puede utilizar solo con la batería de alimentación, los parlantes y los botones.También se puede controlar mediante el puerto serie como Arduino UNO o como módulo de cualquier microcontrolador con puerto serie.El módulo en sí integra perfectamente la decodificación dura de MP3, WAV y WMA.Al mismo tiempo, el software admite controladores de tarjetas TF y sistemas de archivos FAT16 y FAT32.El simple comando del puerto serie puede completar la reproducción de la música especificada y cómo reproducir música y otras funciones, sin la engorrosa operación subyacente, fácil de usar, estable y confiable.

Admite frecuencia de muestreo (KHz): 8/11,025/12/16/22,05/24/32/44.1/48
Salida DAC de 24 bits, soporte de rango dinámico: 90 dB, soporte SNR: 85 dB
Soporte completo para FAT16, sistema de archivos FAT32, soporte máximo para tarjeta TF de 32G, soporte para disco U de 32G, NORFLASH de 64 Mbyte
Hay una variedad de modos de control disponibles.Modo de control IO, modo de puerto serie, modo de control del botón AD
La función de transmisión en flujo le permite pausar la música de fondo que se está reproduciendo.Una vez que el anuncio haya terminado de reproducir, regrese al sonido de fondo y continúe reproduciendo.
Los datos de audio se clasifican por carpeta, admiten hasta 100 carpetas y pueden asignar 255 pistas por carpeta.
Volumen ajustable de 30 niveles, EQ de 6 niveles ajustable

Transmisión de voz de navegación para automóviles
Inspección del transporte por carretera, indicaciones de voz en estaciones de peaje.
Estación de ferrocarril, indicaciones de voz de verificación de seguridad de estaciones de autobuses
Indicaciones de voz para salas de negocios de energía, comunicación y finanzas.
Mensaje de voz de verificación del canal de entrada y salida del vehículo
Aviso de voz del canal de verificación de frontera
Alarma de voz multicanal o voz guía de operación del dispositivo
Aviso de voz de conducción segura para coche turístico eléctrico
Alarma automática de fallo de equipos mecánicos y eléctricos.
Alarma de incendio
Equipo de transmisión automática, transmisión programada
Descripción del producto:



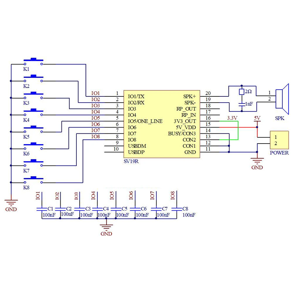
Definición de pines:
PINOS
Descripción
Alimentación (6 ~ 35 VCC)
Fuente de alimentación de 6 ~ 35 VCC
TXD/IO0
IO0 en modo de disparo IO; TX en modo de control UART, conexión a RX de MCU
RXD/IO1
IO1 en modo de disparo IO; RX en modo de control UART, conexión a TX de MCU
IO2
IO2 en modo de disparo IO
IO3
IO3 en modo de disparo IO
Una_línea/IO4
IO4 en modo de disparo IO; RX en modo One_line
IO5
IO5 en modo de disparo IO
IO6
IO6 en modo de disparo IO
IO7
IO7 en modo de disparo IO
BUSIO
Salida de nivel bajo mientras reproduce música (0 V), salida de nivel alto al finalizar la reproducción (3,3 V)
TIÑO
Referencia GND
Altavoz
Se recomienda un altavoz de 4Ω/20W o 8Ω/10W














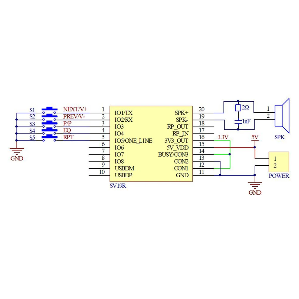
5 .RPT: Presione brevemente "Reproducir un solo" y presione "Librar bucle" nuevamente
4 .EQ: Presione brevemente una vez para ajustar "EQ"
3 .P/P: presione brevemente "Pausa" y luego "Reproducir"
2 .PREV/V-: Pulsación corta "Previous", pulsación larga "Volumen-"
1 .NEXT/V+: Pulsación corta "Siguiente", pulsación larga "Volumen +"
4.Modo MP3 estándar:
5 .Tamaño: 30*23mm
4 . Humedad de trabajo: 5% ~ 95% RH
3 .Temperatura de trabajo:-25℃~85℃
2 .Voltaje de trabajo: CC 3,7 V ~ 5 V
1 .Modelo:DY-SV19T
3.Parámetro:
11 . Admite puerto de descarga USB externo.
10 . Admite ajuste del potenciómetro de volumen externo.
9 . Admite 3 E/S de configuración para selección de modo para crear 7 modos de trabajo.
8 . Admite control de puerto serie de bus único One_line, que puede controlar la reproducción, pausa, selección, subir y bajar el volumen y otras funciones.
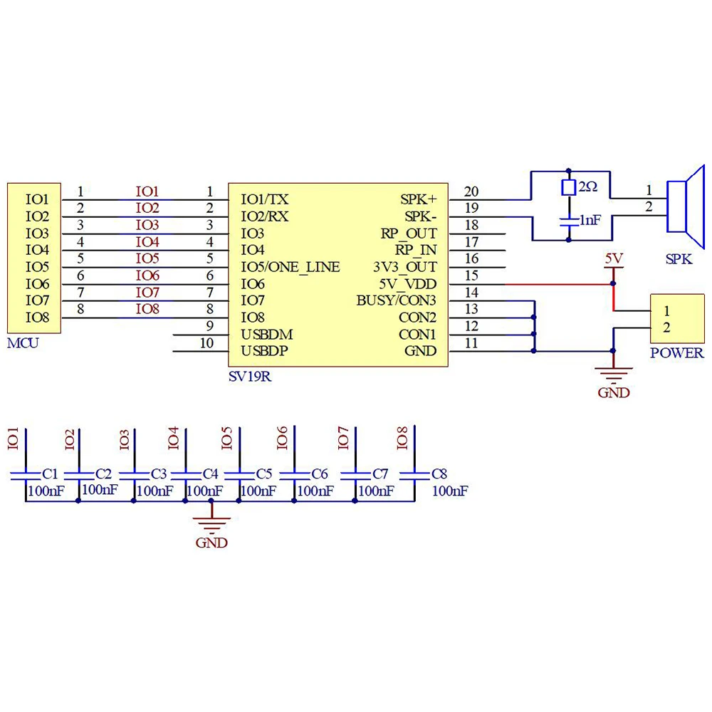
7 . Admite la función de activación de E/S, los puertos de E/S de 8 bits pueden activar 8 músicas u 8 combinaciones de E/S para activar 255 canciones.
6 . Admite la función de transmisión de voz de control de puerto serie UART. Puede controlar la reproducción, pausar, selecciones, subir y bajar el volumen y otras funciones, la mayor selección de 65535 canciones. La velocidad en baudios es de 9600 bits/s.
3 .Circuito amplificador Clase D de 5W integrado y puede controlar directamente altavoces de 4 ohmios y 3 ~ 5W;
4 . Admite tarjeta de memoria (tarjeta TF) de hasta 32 GB, archivos de audio fáciles de reemplazar;
3 . Salida DAC de 24 bits, soporte de rango dinámico de 90 dB, soporte SNR de 85 dB;
2 .Frecuencia de muestreo de soporte (KHz): 8/11,025/12/16/22,05/24/32/44,1/48;
1 . Admite formatos de decodificación MP3 y WAV;
2.Características:
DY-SV19T integra activación de subsección de E/S, control de puerto serie UART, control de puerto serie de bus único ONE_line, MP3 estándar y otros 7 modos de trabajo;Circuito amplificador Clase D integrado de 5 W y puede controlar directamente altavoces de 4 ohmios y 3 ~ 5 W.Admite formato de decodificación MP3,WAV.Admite tarjeta de memoria (tarjeta TF) de hasta 32 GB/formato FAT32. Admite potenciómetro de ajuste de volumen externo, configura el pin sin soldar resistencia pull-up/pull-down, reserva el pin externo USB para facilitar la interfaz de descarga externa.
1.Descripción:
DY-SV19T








Características de entrada y salida IO:



Características del producto
1.Admite formatos de decodificación MP3 y WAV.
2.Admite frecuencia de muestreo de archivos de audio (KHz): 8/11,025/12/22,05/24/32/44,4/48
3.Salida DAC de 24 bits, rango dinámico que admite 90 dB, relación señal-ruido que admite 85 dB
4.Almacenamiento flash integrado de 32 Mbit (4 MByte), que se puede conectar a una computadora mediante un cable USB para actualizar archivos de audio.
5.Equipado con un amplificador Clase D de 5W, puede controlar directamente altavoces de 42W y 3-5W.
6.El puerto serie UART controla la función de transmisión de voz, que puede controlar la reproducción, pausa, selección de canciones, ajuste de volumen y otras funciones.MAX selecciona 65535 canciones con una velocidad en baudios de 9600 bps
7.Admite la función de reproducción activada I0, con 8 puertos I0 emparejados para activar 8 pistas u 8 combinaciones de 10 puertos que activan 255 pistas.
8.Admite control de puerto serie de bus único One_Line, que puede controlar la reproducción, pausa, selección de canciones, ajuste de volumen y otras funciones.
9.Tres pines de configuración admiten hasta siete selecciones de modo de trabajo.
10.Admite ajuste del potenciómetro de volumen externo

DY-SV19T
1.Descripción:
DY-SV19T integra activación de subsección de E/S, control de puerto serie UART, control de puerto serie de bus único ONE_line, MP3 estándar y otros 7 modos de trabajo;Circuito amplificador Clase D integrado de 5 W y puede controlar directamente altavoces de 4 ohmios y 3 ~ 5 W.Admite formato de decodificación MP3,WAV.Admite tarjeta de memoria (tarjeta TF) de hasta 32 GB/formato FAT32. Admite potenciómetro de ajuste de volumen externo, configura el pin sin soldar resistencia pull-up/pull-down, reserva el pin externo USB para facilitar la interfaz de descarga externa.
2.Características:
1 . Admite formatos de decodificación MP3 y WAV;
2 .Frecuencia de muestreo de soporte (KHz): 8/11,025/12/16/22,05/24/32/44,1/48;
3 . Salida DAC de 24 bits, soporte de rango dinámico de 90 dB, soporte SNR de 85 dB;
4 . Admite tarjeta de memoria (tarjeta TF) de hasta 32 GB, archivos de audio fáciles de reemplazar;
3 .Circuito amplificador Clase D de 5W integrado y puede controlar directamente altavoces de 4 ohmios y 3 ~ 5W;
6 . Admite la función de transmisión de voz de control de puerto serie UART. Puede controlar la reproducción, pausar, selecciones, subir y bajar el volumen y otras funciones, la mayor selección de 65535 canciones. La velocidad en baudios es de 9600 bits/s.
7 . Admite la función de activación de E/S, los puertos de E/S de 8 bits pueden activar 8 músicas u 8 combinaciones de E/S para activar 255 canciones.
8 . Admite control de puerto serie de bus único One_line, que puede controlar la reproducción, pausa, selección, subir y bajar el volumen y otras funciones.
9 . Admite 3 E/S de configuración para selección de modo para crear 7 modos de trabajo.
10 . Admite ajuste del potenciómetro de volumen externo.
11 . Admite puerto de descarga USB externo.
3.Parámetro:
1 .Modelo:DY-SV19T
2 .Voltaje de trabajo: CC 3,7 V ~ 5 V
3 .Temperatura de trabajo:-25℃~85℃
4 . Humedad de trabajo: 5% ~ 95% RH
5 .Tamaño: 30*23mm
4.Modo MP3 estándar:
1 .NEXT/V+: Pulsación corta "Siguiente", pulsación larga "Volumen +"
2 .PREV/V-: Pulsación corta "Previous", pulsación larga "Volumen-"
3 .P/P: presione brevemente "Pausa" y luego "Reproducir"
4 .EQ: Presione brevemente una vez para ajustar "EQ"
5 .RPT: Presione brevemente "Reproducir un solo" y presione "Librar bucle" nuevamente










Gran producto. Gran vendedor de confianza. Mi recomendación
Gran producto. Gran vendedor de confianza. Mi recomendación