





Introducción del producto:
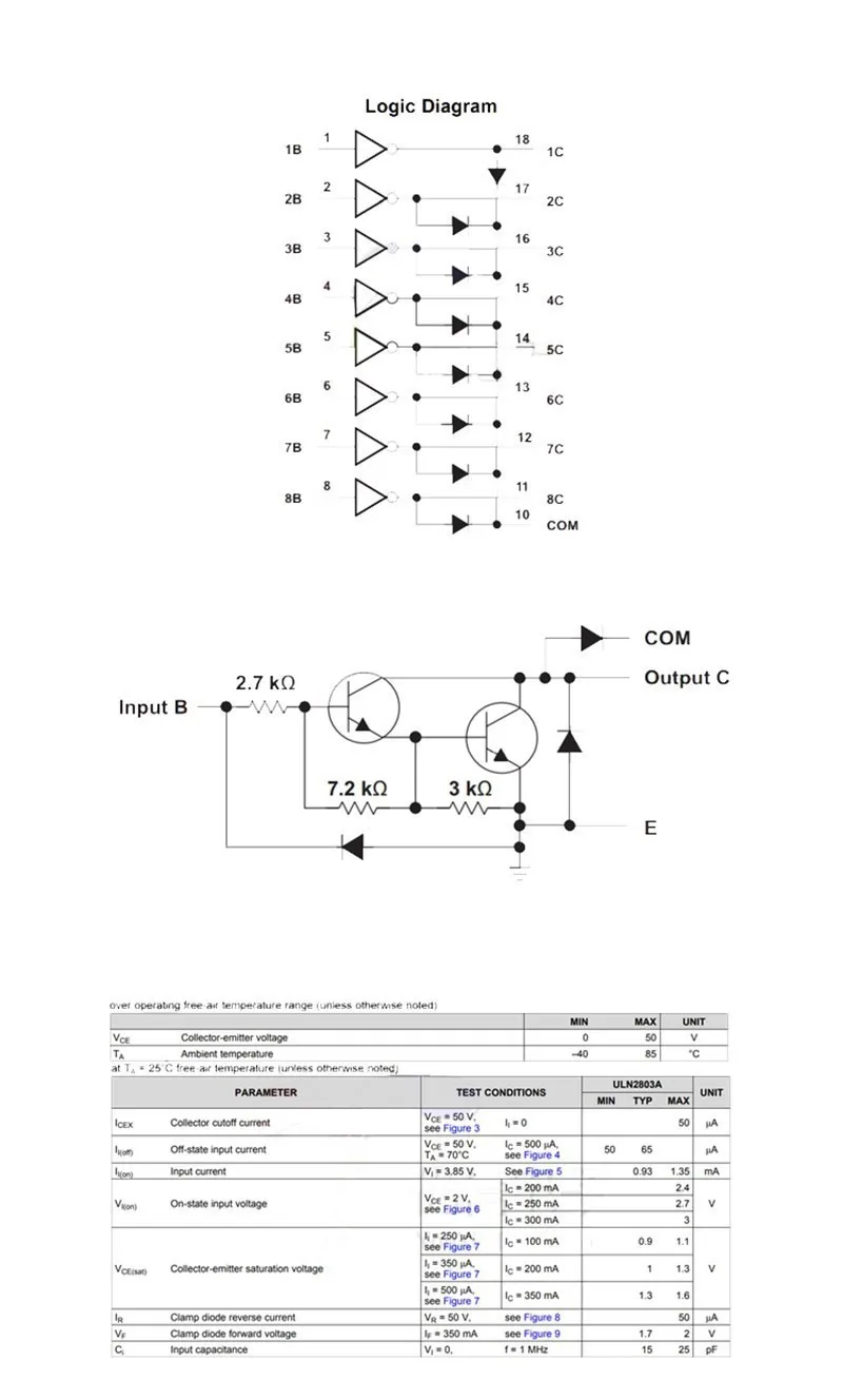
ULN2803A consta de 8 tubos NPN Darlington con diodos de sujeción incorporados para cargas inductivas.Se pueden conectar varios Darlingtons en paralelo para controlar cargas de alta corriente.El dispositivo ULN2803A es un conjunto de transistores Darlington de 50 V y 500 mA.El dispositivo consta de ocho pares de NPN Darlington con salida de alto voltaje y diodos de abrazadera de cátodo común para conmutar cargas inductivas.Cada par Darlington tiene una corriente nominal de colector de 500 mA.Los pares Darlington se pueden conectar en paralelo para aumentar la capacidad actual.Las aplicaciones incluyen controladores de relé, controladores de martillo, controladores de lámpara, controladores de pantalla (LED y descarga de gas), controladores de línea y amortiguadores lógicos.Cada par darlington de dispositivos ULN2803A tiene una resistencia base de la serie W de 2,7K y puede funcionar directamente con dispositivos TTL o CMOS de 5V.
Características del producto:
·Corriente nominal del colector de 500 mA (salida única)
· Salida de alto voltaje: 50V
·Diodo de abrazadera de salida
·Entrada compatible con varios tipos lógicos




Función impecable