





El módulo de alcance de doble sonda JSN-SR20-Y1 puede proporcionar una función de detección de distancia sin contacto de 2 cm a 500 cm y la precisión de alcance puede alcanzar hasta 3 mm; El módulo incluye un sensor ultrasónico integrado con transceptor y un circuito de control.El uso del modo uno es similar al de nuestro módulo HC-SR04.
Este producto adopta un diseño de sonda ultrasónica impermeable dual de grado industrial, tipo impermeable, rendimiento estable y humildad para trabajar con todas las MCU del mercado.
Alcance súper cercano, la zona ciega es de sólo 2 CM.El alcance estable es una base poderosa para que este producto ingrese con éxito al mercado.
Características:
1.Tamaño pequeño y cómodo de usar;
2.Medición de área ciega ultrapequeña.
3.Alta precisión de medición;
4.Fuerte antiinterferencia;
5.Sonda de cinta impermeable integrada, adecuada para ocasiones de medición húmedas y duras.
Especificaciones y parámetros:
salida de pulso
la salida en serie
voltaje de trabajo
CC: 3,0-5,5 V
corriente de trabajo
Menos 8mA
la frecuencia de la sonda
40kHz
el rango más lejano
500 cm
rango reciente
2cm
precisión de larga distancia
± 1 cm
resolución
3 mm
para medir el ángulo
60 el grado
la señal de disparo de entrada
1,20uLo anteriorTTLpulse
2y el puerto serie para enviar instrucciones0X55
la salida de la señal de eco
señal de nivel de ancho de pulso de salida, o TTL
modo de conexión
3-5,5 V (el polo positivo)
Trig (el terminal de control)RX
Eco (Salida) TX
GND(El polo negativo de la fuente de alimentación
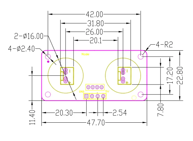
Tamaño del producto
L48*W23*H10 mm
temperatura de trabajo
-20℃-+ 70℃
color de la pieza
La placa PCB es azul
con sonda de línea: la longitud de línea estándar es de 1 metro
modo 0: Moodo=abierto sin soldadura.El modo como sigue
1, principio de funcionamiento básico:
(1) use el puerto IO TRIG para activar el alcance y presente señales de nivel de alta potencia con un mínimo de 20US.
(2) el módulo envía automáticamente 8 ondas cuadradas de 40 kHz para detectar automáticamente si hay un retorno de señal;
(3) si hay una señal, ECHO emite un nivel alto a través del puerto IO.La duración del nivel alto es el momento en que la onda ultrasónica vuelve al enviarla.Distancia de prueba=(Tiempo de alto nivel * velocidad del sonido (348 M/S))/2;
(4) después de que el módulo se activa para medir la distancia, si no se recibe ECHO (el motivo está más allá del rango medido o la sonda no mira hacia el objeto medido), el puerto ECHO se volverá automáticamente bajo después de 40 ms, marca el final de esta medición, ya sea exitosa o no.
2Diagrama de sincronización ultrasónica:

figura II, sincronización ultrasónica
12: Modo=47KUART salida automática
UAREl modo de salida automática genera el valor de distancia (número hexadecimal) según el formato de comunicación UART.Este modo no necesita señal de disparo adicional y el módulo puede medir automáticamente una vez cada 100 ms, cada medición se completa en la salida del pin TX para medir el valor de distancia.
por ejemplo:
respuesta del producto FF 07 A1 A7
donde consulte el código SUM=A7=(0x07 0x1 0Xff)& 0x00ff
0x07dados altos de distancia;
0xA1 datos bajos para la distancia;
el valor de distancia es 0 x07A1; Convertido a decimal es ciel; La unidad es: MM
nota: Si el módulo no puede medir los datos o genera 0 más allá del rango de distancia.Después de encender el Led, ingresa al modo de trabajo y parpadea automáticamente 100 ms.
modo2: Modo=120KUAR la salida controlada
UAREl modo de salida controlada genera el valor de distancia medido (número hexadecimal) según el formato de comunicación UART.Este modo necesita agregar una señal de disparo 0x 55 al pie RX y medirla cada vez que el módulo recibe una instrucción, cada medición se completa en la salida del pin TX para medir el valor de distancia.El ciclo de activación de instrucciones es superior a 60 ms.
por ejemplo:
respuesta del producto FF 07 A1 A7
donde consulte el código SUM=A7=(0x07 0x1 0Xff)& 0x00ff
0x07dados altos de distancia;
0xA1 datos bajos para la distancia;
el valor de distancia es 0 x07A1; Convertido a decimal es ciel; La unidad es: MM
nota: Si el módulo no puede medir los datos o genera 0 más allá del rango de distancia.Después de encender el LED, la luz de comando se encenderá cada vez que se active.La frecuencia es la misma que la del ciclo de activación.
modo 3: Modo=200 K Salida automática de ancho de pulso de nivel alto (PWM)
ancho de pulsoPWMCon salida automática, el módulo mide automáticamente en un intervalo de 200 ms y genera el alto nivel de ancho de pulso correspondiente a la distancia después de la prueba.Modo de referencia del modo de distancia de cálculo 1
Ømodo 5: Modo=470 Ksswitch output
El módulo de descripción del trabajo establecerá un valor umbral en fábrica, cuyo valor predeterminado sea 1,5 metros.El módulo conduce un alcance una vez cada 200 ms, cuando el valor de distancia del objetivo detectado es menor que el valor umbral establecido, Echopin produce un nivel alto, el valor de distancia detectado actual es mayor que el valor umbral establecido, salida Echopin de nivel bajo, para mejorar la estabilidad, el valor predeterminado de fábrica es detectar el valor de distancia del objetivo dos veces seguidas es menor que el valor umbral establecido para determinar el rango hasta el objetivo de detección es menor que el valor umbral establecido;MóduloEchothe PIN solo emite señales de nivel alto y bajo sin capacidad de accionamiento.Se debe agregar un relé de accionamiento triodo durante la aplicación.Si existen requisitos especiales para modificar el valor umbral u otras configuraciones, se requieren instrucciones especiales al comprar.










La última versión definitiva V3.3 se lanzará en 2025.Esta versión se basa en la anterior; Se han agregado las siguientes mejoras
1: Se ha agregado compensación de temperatura de la distancia para que la medición de la distancia sea más precisa
2: El problema de interferencia de la fuente de alimentación Flyback DCDC se ha mejorado para hacer que el producto sea más estable.
3: La tecnología de filtrado de interferencias de cofrecuencia incorporada hace que la señal sea más limpia y estable.
4: El ángulo de medición ajustable puede resolver las necesidades de diferentes escenarios, como ángulos pequeños (medición de alcantarillado) y medición de ángulos grandes de personas.
(Hemos estado trabajando duro)**** La entrega predeterminada es la salida de ancho de pulso
El JSN-SR0T4-V3.3 módulos de medición de distancia ultrasónicos pueden proporcionar una función de detección de distancia sin contacto de 21 cm a 500 cm y la precisión de medición de distancia puede alcanzar hasta 3 mm;El módulo consta de un sensor ultrasónico integrado y un circuito de control.El uso del modo 1 es compatible con nuestro módulo HC-SR04.
Este producto adopta un diseño de sonda ultrasónica integrada de grado industrial, resistente al agua, rendimiento estable y compatible con todas las MCU del mercado.1.Este módulo tiene un rendimiento estable y una medición de distancia precisa.Se puede comparar con módulos de medición de distancia ultrasónicos extranjeros como SRF05 y SRF02.La alta precisión del módulo, el área ciega (20 cm) y la medición de distancia estable son la base sólida para que este producto ingrese con éxito al mercado.
Ø Características del producto:
1.Tamaño pequeño, fácil de usar;
2.Bajo voltaje, bajo consumo de energía;
3.Alta precisión de medición;
4.Fuerte antiinterferencia;
5.Sonda cableada impermeable cerrada integrada, adecuada para ocasiones de medición húmedas y duras.

En el modo de puerto serie, hay pruebas de herramientas DEMO disponibles, como se muestra a continuación


Modo 0: Moode=abierto significa que no se requiere soldadura.Este modo se describe de la siguiente manera
1.Principio de funcionamiento básico:
(1) Utilice el puerto IO TRIG para activar la medición de distancia y dar una señal de alto nivel de al menos 20us.
(2) El módulo envía automáticamente 8 ondas cuadradas de 40 kHz y detecta automáticamente si hay un retorno de señal;
(3) Si hay un retorno de señal, se emite un nivel alto a través del puerto IO ECHO.La duración del nivel alto es el tiempo desde la emisión de ondas ultrasónicas hasta el regreso.Distancia de prueba=(tiempo de alto nivel * velocidad del sonido (348 M/S))/2;
(4) Después de que el módulo se activa para medir la distancia, si no se recibe eco (la razón es que excede el rango medido o la sonda no está frente al objeto a medir), el puerto ECHO cambiará automáticamente a un nivel bajo después de 40 MS, indicando el final de esta medición, independientemente del éxito o falla.
2.Diagrama de sincronización ultrasónica:

El diagrama de sincronización anterior muestra que solo necesita proporcionar una señal de disparo de pulso de más de 10 uS, y el módulo emitirá 8 niveles de ciclo de 40 kHz y detectará ecos.Una vez que se detecta una señal de eco, se emite una señal de eco.El ancho del pulso de la señal de eco es proporcional a la distancia medida.Por lo tanto, la distancia se puede calcular mediante el intervalo de tiempo desde la señal transmitida hasta la señal de eco recibida.Fórmula: uS/58=cm o uS/148=pulgada; o: distancia=tiempo de alto nivel * velocidad del sonido (340M/S) /2; Se recomienda que el ciclo de medición sea superior a 60 ms para evitar que la señal de transmisión afecte la señal de eco.
Modo=47 K (o M1 corto directamente) Salida automática UART
El modo de salida automática UART genera el valor de distancia medido (número hexadecimal) según el formato de comunicación UART.Este modo no requiere una señal de disparo externa.El módulo puede medir automáticamente una vez cada 100 ms.Después de cada medición, el valor de distancia medido se emite en el pin TX.
Por ejemplo:
Respuesta del producto FF 07 A1 A7
Donde el código de verificación SUM=A7=(0x07+0xA1+0Xff)&0x00ff
0x07 son los datos de alto orden de la distancia;
0xA1 son los datos de orden bajo de la distancia;
El valor de distancia es 0x07A1; convertido a decimal es ciel; la unidad es: mm
Nota: El módulo genera el valor de distancia más cercano de aproximadamente 21 cm en el área ciega.Si el módulo no puede medir los datos o excede el rango de distancia, genera 0.Después de que el LED se encienda y ingrese al modo de trabajo, parpadeará automáticamente a 100 MS.
Modo 2: Modo=120K (o bit M2 directo corto) Salida controlada por UART
El modo de salida controlado por UART genera el valor de distancia medido (número hexadecimal) según el formato de comunicación UART.Este modo requiere agregar una señal de comando de disparo 0X55 al pin RX.El módulo mide una vez cada vez que recibe un comando.Cada vez que se completa la medición, el valor de distancia medido se emite en el pin TX.El ciclo de activación del comando debe ser superior a 60 MS
Por ejemplo:
Respuesta del producto FF 07 A1 A7
Donde el código de verificación SUM=A7=(0x07+0xA1+0Xff)&0x00ff
0x07 son los datos de alto orden de la distancia;
0xA1 son los datos de orden bajo de la distancia;
El valor de distancia es 0x07A1; convertido a decimal es ciel; la unidad es: mm
Nota: El módulo genera el valor de distancia más cercano de aproximadamente 21 cm en el área ciega.Si el módulo no puede medir los datos o excede el rango de distancia, genera 0.Después de encender el LED y ingresar al modo de trabajo, la luz de comando se iluminará cada vez que se active.La frecuencia es la misma que la del ciclo de activación.La luz se apagará cada dos disparadores.
Modo 3: Modo=salida de interruptor 470K
Descripción de funcionamiento El módulo establecerá un valor umbral cuando salga de fábrica y el valor predeterminado es 1,5 metros. El módulo mide la distancia una vez cada 200 ms. Cuando el valor de distancia del objetivo detectado es menor que el valor umbral establecido, el pin Echo genera un nivel alto. Cuando el valor de distancia detectado actual es mayor que el valor umbral establecido, el pin Echo genera un nivel bajo. Para mejorar la estabilidad, el valor predeterminado de fábrica es que si el valor de distancia del objetivo es menor que el valor umbral establecido para dos veces consecutivas, se considera que la distancia del objetivo detectada es menor que el valor umbral establecido; El pin Echo del módulo solo emite señales de nivel alto y bajo y no tiene capacidad de conducción. Cuando se aplica, se debe agregar un relé de accionamiento de transistor. Si existen requisitos especiales para modificar el valor umbral u otras configuraciones, se requieren instrucciones especiales al comprar.



Funciona bien :-)
αα +++
αα +++