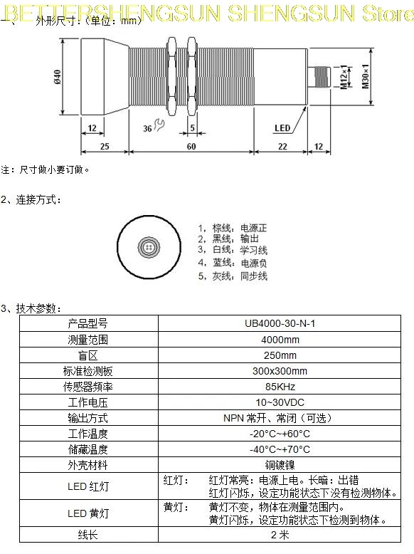
Descripción del producto: El sensor de distancia ultrasónico es un controlador de rango de alto rendimiento diseñado con una sonda impermeable integrada. Basado en el principio de rango de eco ultrasónico, la tecnología precisa de medición de diferencia de tiempo se utiliza para detectar la distancia entre el sensor y el objeto objetivo. Para objetos transparentes u objetos no ferrosos, se pueden detectar objetos metálicos, objetos no metálicos, así como materiales sólidos, líquidos o en polvo. Pero para diferentes objetos, la intensidad reflectante variará, para garantizar que pueda comprar los productos correctos, contáctenos antes de comprar. Principio de rango: el pulso ultrasónico emitido por la sonda ultrasónica se transmite al objeto bajo prueba a través del medio de aire, y luego regresa a la sonda ultrasónica a través del medio de aire después de la reflexión. Se mide el tiempo de propagación del pulso ultrasónico desde la emisión hasta la recepción en el medio de aire. De acuerdo con la velocidad del sonido en el medio de aire, se puede calcular la distancia desde la sonda ultrasónica a la superficie del objeto. Así que podemos calcular la distancia desde la sonda hasta el reflector S=V * t / 2 (dividido por 2 porque la onda de sonido en realidad viaja de ida y vuelta desde la emisión hasta la recepción, S es la distancia, V es la velocidad del sonido, t es el tiempo). Características del producto: 1, alto nivel de protección; 2, amplia fuente de alimentación y bajo consumo de energía; 3, fácil de usar y fácil de operar. 4, alta precisión y alta resolución. 5, la distancia de detección es lejana y los datos son estables. 6, puede elegir salida de temperatura de alta precisión y función de compensación de temperatura, el valor predeterminado es sin compensación de temperatura. 7. Tiene una carcasa de campana física, que tiene una mejor directividad y estabilidad. 8. La Compatibilidad de salida es buena, hay una salida RS232 general y una salida analógica de voltaje, el valor predeterminado es la salida RS485. Aplicación del producto: 1, rango de alta precisión; 2, evitación de obstáculos, Control Automático (posicionamiento del vehículo de la lavadora automática ultrasónica); 3, los objetos están cerca y existen. 4, control ultrasónico de tensión de tela, sensor de diámetro de bobina de nivel de material; 5, seguridad y control industrial; 6. Interruptor de proximidad ultrasónico. 7. Control de nivel ultrasónico;

