





¡La batería no está incluida en el paquete! Dado que el transporte aéreo no permite que los productos contengan baterías, si hay baterías, el paquete será destruido. ¡Todos los productos no contienen pilas!
Características:
Nombre del producto: Kit de gafas emisoras de luz LED activadas por voz
Modo de fuente de alimentación: 2 baterías 23A (no incluidas)
Número de modelo del artículo: AS123
Voltaje de funcionamiento: 12V
Método de envío: envío a granel
Corriente de trabajo: 15mA
Material de la carcasa: ABS transparente
Número de cuentas de lámpara: 50
Peso neto del producto: 70g
Color luminoso: rojo, verde esmeralda, amarillo






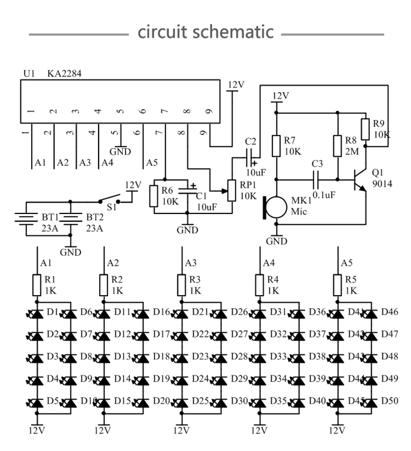
Descripción del circuito:
KA2284 es un circuito integrado utilizado para la indicación de nivel de LED de 5 puntos, que introduce diferentes voltajes, puede emitir 5 LED con diferentes estados de iluminación y los LED se encienden y apagan secuencialmente. El Número de LED iluminados se usa a menudo para indicar la salida del amplificador de potencia o el nivel de sonido ambiental, es decir, es el sonido cuanto más fuerte, más LED se encienden, y cuanto menor sea el sonido, menos LED se encienden.
Este circuito consta de dos partes: un circuito amplificador TRIODO y un circuito indicador de nivel. El micrófono envía el sonido recibido al triodo Q1 a C3 para su amplificación y luego lo envía al terminal de entrada de señal (pin 8) del KA2284. El KA2284 activa 5 grupos de diodos emisores de luz para mostrar encendido y apagado. La fuente de alimentación del circuito es de 12V, los cuales son las resistencias limitadoras de corriente de los diodos emisores de luz, y cada 5 diodos emisores de luz están conectados en serie. Los lados izquierdo y derecho de las gafas son 5 grupos de diodos emisores de luz correspondientes a imágenes especulares. Ajuste el RP1 para ajustar la sensibilidad de detección de sonido.









