


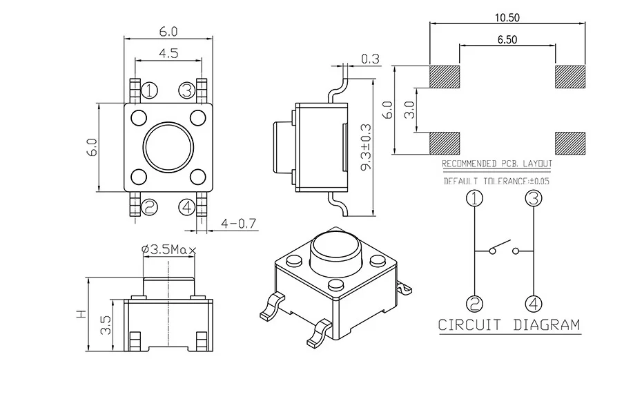
Los interruptores SMT 50 piezas son micropulsadores de reinicio profesionales diseñados para montaje superficial (SMD) en circuitos impresos (PCB). Este conjunto de 50 unidades de 6x6x4.3mm con 4 pines es la solución ideal para proyectos de electrónica que requieren interruptores compactos y fiables.
Estos micropulsadores profesionales cumplen con estándares de la industria:
La tecnología de montaje superficial ofrece ventajas significativas:
El montaje SMT permite una instalación directa en la superficie de la PCB sin necesidad de perforaciones, optimizando el espacio y permitiendo diseños más compactos y modernos.
Los componentes SMT son ideales para montaje automatizado mediante máquinas pick-and-place, reduciendo costos de producción y mejorando la consistencia del ensamblaje.
El diseño SMT reduce la inductancia parásita y la capacitancia, mejorando el rendimiento eléctrico especialmente en aplicaciones de alta frecuencia.
La soldadura superficial proporciona conexiones mecánicas más fuertes y mejor disipación térmica comparada con componentes through-hole tradicionales.
La configuración de 4 pines ofrece versatilidad:
Los 4 pines permiten configuraciones de interruptor simple (SPST) o doble (DPDT), proporcionando flexibilidad para diferentes aplicaciones y circuitos.
La configuración de 4 pines proporciona mayor estabilidad mecánica en la PCB, reduciendo el estrés en las soldaduras durante la operación.
Los pines múltiples facilitan el ruteo de pistas en la PCB, permitiendo diseños más eficientes y optimizados para diferentes configuraciones de circuito.
La configuración permite conexiones redundantes para aplicaciones críticas donde la fiabilidad es esencial.
Las dimensiones 6x6x4.3mm son perfectas para:
El tamaño reducido permite integración en equipos portátiles, dispositivos IoT y aplicaciones donde el espacio es limitado.
La altura de 4.3mm es ideal para montaje en paneles frontales delgados, permitiendo botones accesibles sin comprometer el diseño estético.
Las dimensiones compactas permiten alta densidad de interruptores en áreas reducidas, perfectas para teclados personalizados y paneles de control.
Las dimensiones estándar aseguran compatibilidad con footprints de diseño PCB comunes y herramientas de diseño electrónico.
Estos interruptores son esenciales para:
Ideal para dispositivos electrónicos de consumo como reproductores de audio, sistemas de gaming y equipos de audio portátiles que requieren controles táctiles.
Perfecto para paneles de control industrial, equipos de automatización y sistemas de monitoreo que requieren interruptores fiables y duraderos.
Adecuado para dispositivos de Internet de las Cosas, sensores inteligentes y sistemas de domótica que necesitan controles compactos y eficientes.
Excelente para prototipado y desarrollo de proyectos electrónicos, permitiendo rápida iteración y prueba de diseños de interfaz de usuario.
Compatible con equipos médicos portátiles, dispositivos de monitoreo y sistemas de diagnóstico que requieren controles precisos y fiables.
La construcción premium garantiza durabilidad:
El cuerpo de plástico de alta calidad resiste el desgaste mecánico y la degradación por uso frecuente, manteniendo la apariencia y funcionalidad.
El botón de caucho conductivo proporciona respuesta táctil clara y consistente, asegurando operación fiable y feedback positivo al usuario.
Los contactos internos están chapados en oro para prevenir corrosión y asegurar conductividad eléctrica consistente durante toda la vida útil del componente.
El diseño sellado protege contra polvo y humedad, permitiendo operación fiable en diversas condiciones ambientales.
La instalación profesional es straightforward:
Utiliza footprints estándar de 4 pines SMT con espaciado de 2.54mm, asegurando compatibilidad con herramientas de diseño CAD comunes.
Aplica pasta de soldar y utiliza un horno de refusión para montaje profesional, o soldadura manual con punta fina para prototipos y reparaciones.
Asegura alineación precisa durante el montaje para evitar problemas de soldadura y garantizar conexión mecánica y eléctrica óptima.
Realiza inspección visual post-soldadura para verificar conexiones properas y ausencia de puentes de soldadura o componentes dañados.
Las especificaciones eléctricas incluyen:
Diseñado para aplicaciones de baja corriente (50mA @ 12V DC), ideal para señales de control y lógica digital sin sobrecargar circuitos.
Soporta hasta 24V DC, proporcionando margen de seguridad para diversas aplicaciones de control y automatización.
Los contactos internos ofrecen baja resistencia en estado cerrado, minimizando caídas de voltaje y pérdida de potencia en circuitos sensibles.
Proporciona excelente aislamiento en estado abierto, previniendo fugas de corriente y asegurando operación segura del circuito.
Los beneficios técnicos incluyen:
Diseñado para millones de ciclos de operación, asegurando durabilidad a largo plazo incluso en aplicaciones de uso intensivo.
El mecanismo de acción rápida proporciona respuesta instantánea, ideal para aplicaciones que requieren tiempo de reacción mínimo.
La fuerza de actuación consistente asegura experiencia de usuario uniforme y operación predecible durante toda la vida útil.
Las especificaciones estándar aseguran compatibilidad con microcontroladores, sistemas embebidos y plataformas de desarrollo comunes.
Aplicaciones especializadas incluyen:
Perfecto para construcción de teclados mecánicos personalizados, pads de control y interfaces de usuario personalizadas.
Ideal para paneles de control de audio, equipos de DJ y sistemas de producción musical que requieren controles táctiles precisos.
Adecuado para sistemas de alarma, controles de acceso y equipos de seguridad que necesitan interruptores fiables y discretos.
Compatible con equipos de laboratorio, instrumentos de medición y sistemas de adquisición de datos que requieren controles precisos.
Para mantener rendimiento óptimo:
A solo €0.50, este conjunto de 50 micropulsadores profesionales ofrece características de gama alta a un precio increíble. La combinación de tecnología SMT, construcción robusta y especificaciones eléctricas confiables lo convierte en una inversión inteligente para cualquier entusiasta de la electrónica o profesional del desarrollo de productos.
El envío gratuito y la calidad garantizada hacen de esta compra una decisión excelente para ingenieros electrónicos, desarrolladores de hardware y aficionados que necesitan componentes fiables para sus proyectos.
Los Interruptor SMT 50 Piezas son la solución definitiva para cualquier proyecto electrónico que requiera interruptores compactos, fiables y profesionales. Su combinación de tecnología SMT, dimensiones optimizadas, configuración de 4 pines y construcción robusta los convierte en el componente esencial para desarrollo de hardware, prototipado y producción electrónica donde la calidad y la fiabilidad son críticas.
Características destacadas: 50 piezas, montaje SMT, 6x6x4.3mm, 4 pines, micropulsador reinicio, PCB compatible, electrónica profesional, valor excepcional.

