





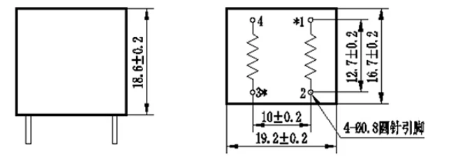
Modelo de producto: ZMCT103
Corriente de entrada nominal: 5A
Corriente de salida nominal: 5mA
Relación: 1000:1
Fase (cuando la entrada nominal):=15(100 ohmios)
El rango lineal: 0-15A (100 ohmios)
Linealidad: 0,2%
Voltaje de aislamiento: 4500V
Usos: Para medición de corriente y potencia.
Material de sellado: resina epoxi
Método de instalación: instalación de tablero impreso
Temperatura de trabajo: -40 a +85 grados
Material de la carcasa: ABS


1.Transformador de corriente de microprecisión integrado
2.Resistencia de muestreo integrada
3.Los módulos 5A se pueden medir dentro de una corriente alterna, la salida analógica correspondiente a 5A/5mA
4.Corriente de entrada nominal: 5A
5.Corriente de salida nominal: 5mA
6.Cambio: 1000:1
7.El rango lineal: 0 ~ 10A (100 ohmios)
8.Linealidad: 0,2%
9.Clasificación de precisión: 0,2
10.Utiliza voltaje de aislamiento: 3000V Medición
11.Material de sellado: resina epoxi
12.Temperatura de funcionamiento: - 40 Celsius - + 70 Celsius





Sensor de corriente CA con amplificador OP
El módulo está equipado con pequeños transformadores de corriente de alta precisión de la serie ZMCT103C y circuitos amplificadores operacionales de alta precisión para muestrear con precisión y compensar adecuadamente señales.Es conveniente para la adquisición de señales de alimentación de CA dentro de 5A.Se puede ajustar la señal de CA analógica de salida correspondiente.El voltaje de salida requerido se puede ajustar según el potenciómetro (ajustando la relación de amplificación, el rango de amplificación es 0-100 veces), pero el voltaje máximo en la salida (OUT) no excederá 1/2 VCC.
Corriente de entrada nominal: 5A
Corriente de salida nominal: 5mA
Relación de cambio: 1000:1
Diferencia de fase: menor o igual a 20' (100Ω)
Rango lineal: 0-10A (100Ω)
Linealidad: 0,2%
Nivel de precisión: 0,2
Tensión soportada de aislamiento: 3000V
Temperatura de trabajo: -40° C ~ 70° C
Material de sellado: resina epoxi
Voltaje de alimentación del módulo: 5-30 V CC





ZMPT101B
Modelo de producto: ZMPT101B
Corriente de entrada nominal: 2mA
Corriente de salida nominal: 2mA
Relación de cambio: 1000:1000
Diferencia de fase: ≤20'
Rango lineal: 0~1000V 0~10mA
Linealidad: ≤0,2%
Error permitido: -0,3 ≤f ≤ 0,2%
Tensión soportada de aislamiento: 4000V
Usos: medición precisa de voltaje y potencia.
Material de sellado: resina epoxi
Método de instalación: instalación de tablero impreso
Temperatura de trabajo: -40 a +60 grados
Material de la carcasa: ABS


Transformador de voltaje: Microtransformador de voltaje de precisión integrado
Circuito amplificador operacional: circuito amplificador integrado de alta precisión, la señal para realizar el muestreo exacto y la compensación adecuada y otras funciones.
Salida de voltaje de modo: el módulo puede medir voltaje de CA dentro de 250 V, se puede ajustar el modo de salida correspondiente
Señal de salida: la señal de salida de la onda sinusoidal, la forma de onda de la mediana (componente CC)
Tensión de alimentación: 5-30v


En YouTube, se han hablado de esto durante mucho tiempo. El tema está relacionado con el trabajo.