






Caja de componentes electrónicos con chorro de arena láser, placa base, cajas negras DIY, carcasa de batería portátil
Precaución:
La funda que pida no tiene recorte/logotipo ni ninguna personalización, la funda con chorro de arena o cepillo y el color de la cubierta protectora de plástico se enviarán al azar. Si necesita alguna configuración, póngase en contacto con el Servicio de Atención al Cliente.Descripciones:
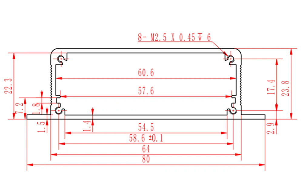
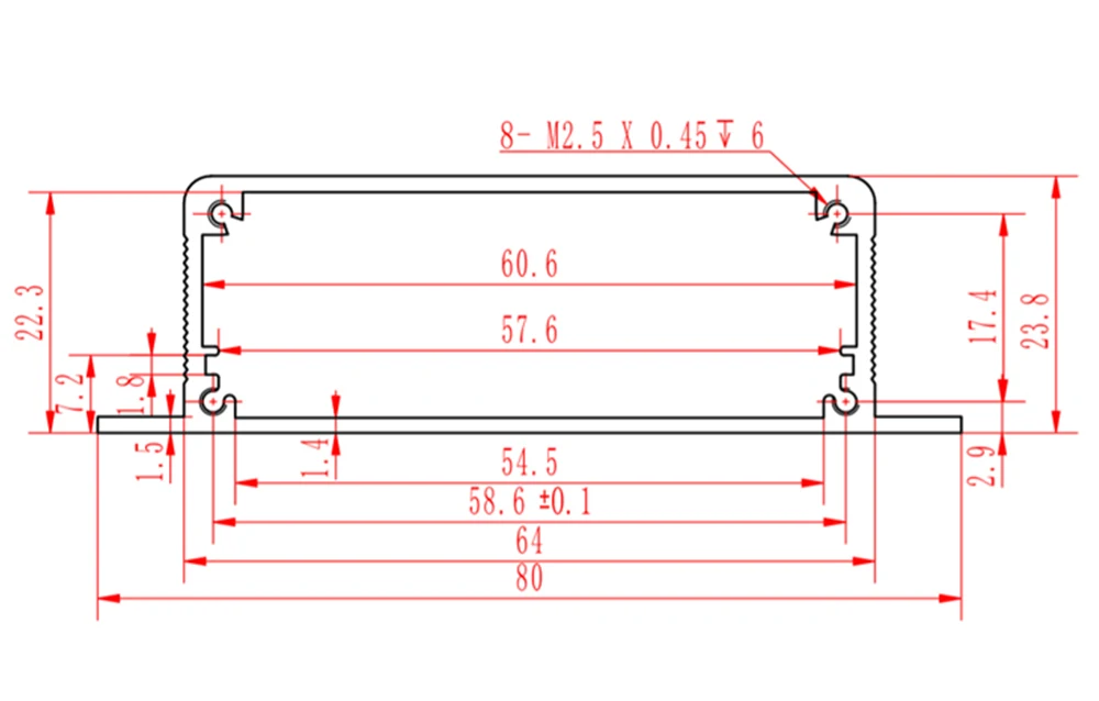
La caja consta de tres partes: carrocería + panel delantero/trasero + 8 tripulaciones, se aplican materiales al6063s. El diseño interna de la ranura para tarjetas es simple para montar en la PCB. Es ampliamente utilizado en equipos, monitoreo y pruebas ambientales, monitoreo y pruebas ambientales, control industrial, transporte ferroviario, terminales de vehículos, seguridad y protección, electrónica, dispositivos y mostradores industriales.Características:
1. Diseñado para acomodar tableros o equipos P.C.2. Opciones de uso general, impermeable, protección contra interferencias electromagnéticas o disipación de calor3. Opciones de acabado de superficie de chorro de arena y cepillado, color anodizado4.P.C. Las tablas se fijan horizontalmente, insertándolas en las ranuras internas extruidas en el cuerpo de la carcasa.5. Se acepta la personalización: longitud, recortes, fresado, opción de paneles finales en forma de L, opción de grosor de los paneles finales, posibilidad de serigrafía o grabado.Especificaciones:
Material: aleación de aluminio
Color: plata/negro
Tamaño:
76*36*109,5mm
80*23,8*90mm
80*35*100mm



Nuestros productos son ampliamente utilizados para instrumentos, energía eléctrica, telecomunicaciones, radio y televisión, dispositivos médicos, redes, hoteles y suministros militares.




Ofrecemos un servicio personalizado para cambiar ancho, altura, longitud, servicio de diseño para superficie exterior, estructura y CMF, que ayudan a ser bueno y un estilo de moda. Con una gestión avanzada del sitio y de la información, cumpliendo con el proceso completo de fresado y tallado, podríamos cumplir con los requisitos más estrictos de producción y acabado de los recintos.




Es un material excelente 👌🏻

