





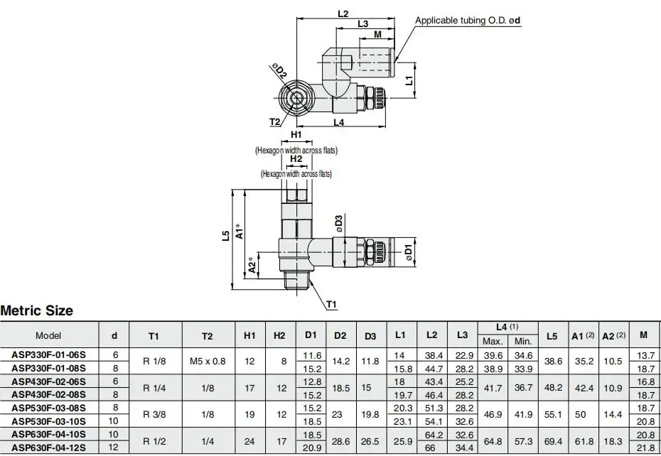
ASP330F/ASP430F/ASP530F/ASP630F con controlador de velocidad de ajuste de un toque con válvula de retención piloto
Se combinan la válvula de retención piloto y el controlador de velocidad.
Realiza intermediario momentáneo
parada de un cilindro y capaz de
ajuste el control de velocidad del mismo.

Especificaciones

Nota) Tenga cuidado con respecto al máximo.Presión de funcionamiento cuando se utiliza tubos de nailon o poliuretano blando.
(Consulte las páginas 464 y 465 para obtener más detalles).



