







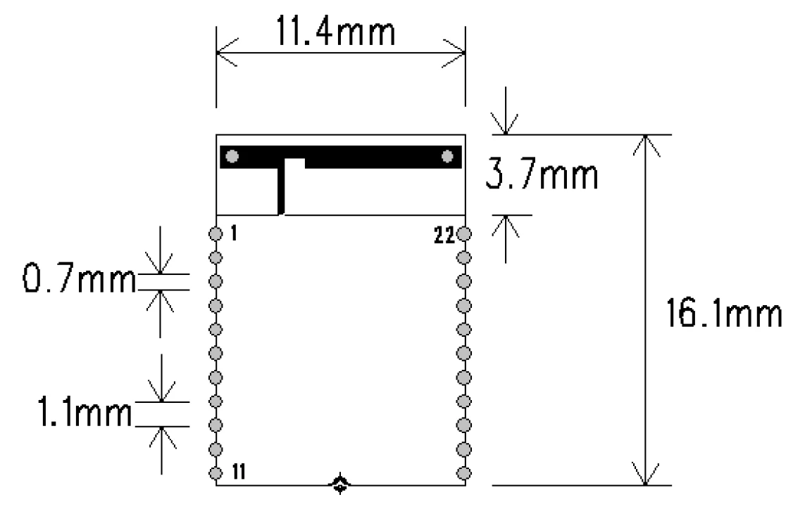
Información del hardware
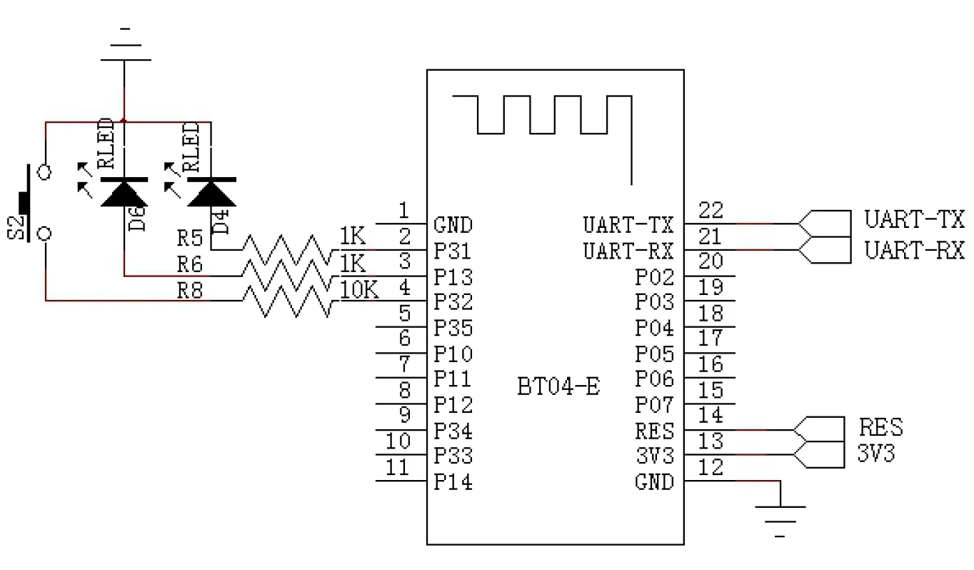
Descripción del pin del módulo y diagrama de circuito mínimo


Aplicación del módulo de datos inalámbrico BT04
※ Transmisión de datos inalámbrica compatible con Bluetooth
※ Control remoto industrial, telemetría
※ Sistema POS
※ Tráfico, alarma
※ Sistema automatizado de adquisición de datos
※ Transmisión de datos inalámbrica; sistema bancario
※ Recolección de datos inalámbrica
※ Automatización de edificios, seguridad, monitoreo inalámbrico de equipos de salas de ordenadores, sistema de control de acceso;
※ Hogar inteligente, control industrial;
※ instrumentos médicos
※ Báscula electrónica
※Impresora compatible con Bluetooth, máquina Meow
※ Juguetes de control remoto compatibles con Bluetooth
※Equipo de prueba automotriz
※ Sistema de diagnóstico de coche OBDII

DX-BT04-E/BT08-E






