






Tamaño 3x3x0,8mm
Corriente nominal: 50 mA 12 V CC,
Resistencia de aislamiento 100M Ω min, 100V DC,
Rigidez dieléctrica 250 V CA para lmin,
Resistencia de contacto: 100m Ω máx.
Temperatura de funcionamiento -30°+250°,
Fuerza operativa: 250 gf ± 50 gf.



3,7x3,7x0,35mm



Tamaño 4x4x0,8mm
Principales indicadores técnicos de la serie de interruptores táctiles.
Rango de temperatura de funcionamiento: -25°~+-85° C
Carga nominal: DC12V 0,1A
Resistencia de contacto:=0,032
Tensión soportada: AC250 V (50 Hz)/MIN
Fuerza de acción: 1,3+-0,5N
Resistencia de aislamiento:=100M Ω



Tamaño de 4,5x4,5x0,5 mm
ESPECIFICACIONES
Rango de temperatura de funcionamiento: -30° a +85°
Clasificación: CC 12 V 50 mA máx.
Tiempo de vida: 50000 ciclos mín.
Resistencia de contacto: 100 mΩ máx.
Rigidez dieléctrica: 250 V CA para lmin.
Viaje: 0,15 0,1 m
Temperatura de soldadura: 255土5°



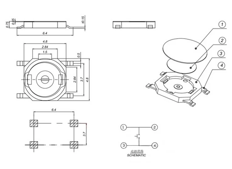
4,8x4,8x0,55mm





velocidad de entrega. La placa en sí no encaja en el control remoto Dorhan, tendrás que resoldar todo el botón.

Botones de calidad, envío rápido. Recomendar.
Todo excelente, recomiendo al vendedor.
Todo excelente, recomiendo al vendedor.
Todo excelente, recomiendo al vendedor.
Todo excelente, recomiendo al vendedor.
Excelente. Lo recomiendo.