
12,99 €
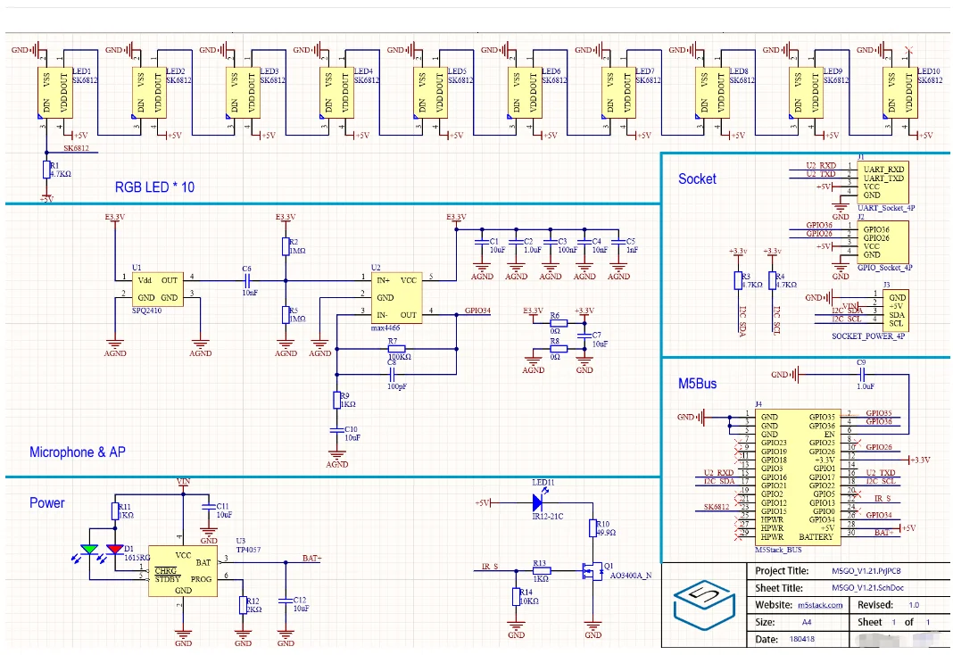
M5GO BOTTOM is apparently the bottom part of M5GO which is a upgrade of basic bottoms, with a larger battery(500mAh),Analog Microphone, LED Bar ,IR LED, two more HY2.0 PORT(PORT B/PORT C),and more. Its back is compatible with Lego holes, and the pogo pin can be used to connect to supported I2C devices (such as BALA) or magnetic charging bases.
Product Features
Compatible with M5Core
Integrated Mic/LED Strip/HY2.0 interface
Support UIFlow directly
Compatible with Lego blocks
Configurable magnetic charging base
Include
1x M5GO BOTTOM
2x M3x16 Screws
Specification

PinMap

Schematic

MORE PROJECTS
Tuner for an Ukulele/Guitar, made using a M5 Core + M5Go bottom
Comprar Parte inferior oficial de la batería M5Stack M5GO/FIRE